Печь для бани Казачка Классика Кинескоп-16
Уточняйте актуальность цен и комплектацию дополнительным оборудованием на день заказа по телефону указанному на сайте.
Описание
Объём парильного помещения, куб.м: 10-18.
Масса, кг: 110.
Отличается от своей предшественницы Казачки Классика 11 большими размерами и большим порталом со стеклянной дверцей 30". Предпочтительна для парных помещений до 18 кубов в южных регионах России. В северных регионах при соблюдении хорошего утепления здания. Печь с двумя парогенераторами конвекционного типа. Дополнительная подача воздуха для дожига газов выводит печь на лучшие чистые режимы. Колпак, которым оборудована печь позволяет дожечь газы не в дымоходе, а еще в печи, из-за чего значительно снижается температура дымохода и исключается его засаживание. Стекло в двери позволяет не только наблюдать за живой игрой огня, но и достигать лучшей регулировки горения дров. За счет этого печь наиболее экономична и эффективна. Великолепная способность создания легкого пара ставит эту печь на высокий уровень по созданию банных паровых режимов.
| Печь Казачка |
Классика 16 |
|
Объем парного помещения, м3: |
от 8 до 18 |
|
Марка стали: |
AISI 430 |
|
Толщина стенок топки, мм: |
2 |
|
Масса камней, кг: |
70 |
|
Диаметр дымохода, мм: |
115 |
|
Тип топлива: |
Дрова |
|
Длина дров, мм: |
600 |
|
Количество стальных парогенераторов |
2 |
|
Наличие каменки: |
Есть |
|
Срок эксплуатации, часов: |
6000 |
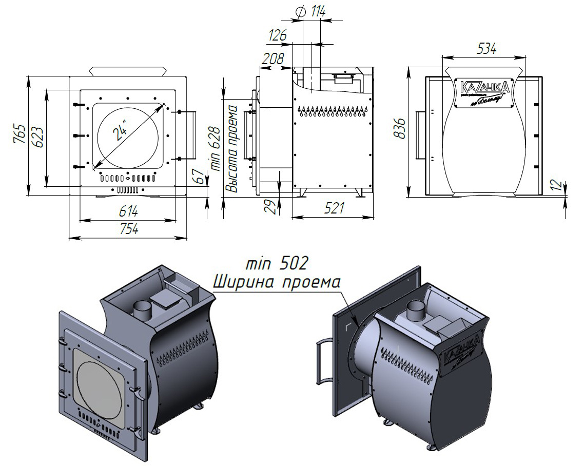
Установочные размеры

ВНИМАНИЕ!
Для оптимальной работы функции "чистое стекло" высота дымохода должна быть не менее 5 метров.
Не допускается устанавливать печь вплотную к стене. Для правильной работы печи необходимо обеспечить воздушный зазор не менее 30 мм. Печь устанавливается строго по уровню.
(!) Производитель оставляет за собой право корректировать размеры, комплектацию, материалы, вносить изменения в конструкцию, не ухудшающих потребительских свойств, с целью улучшения технических характеристик.





