Печь Кабыца по Белому 250СН
Описание
Отопительно-Варочная печь Кабыца 250 СН (С - стеклянная дверка, Н – нержавеющий варочный стол). То, что нужно Вашему дому, домику и даче. В основу печи взята конструкция домашней печи Кубанских казаков, реализована инженерами «По Белому».

Печь Кабыца имеет ряд положительных свойств:
Универсальность:
Сочетает в себе как отопительную печь, так и печь для приготовления и разогрева пищи и небольшой камин.
Эффективность:
Быстрый нагрев помещения, возможность приготовления сразу несколько блюд.
Функциональность:
Прогрев помещения, приготовление пищи, большое стекло для наблюдения за огнем, возможность регулировки горения, трехуровневое горение, дожиг пиролизных газов.
Безопасность:
Печь имеет хорошо охлаждаемый конвектор, низкую температуру дымохода, чистый выхлоп дымовых газов.
Надежность:
Печь не имеет поводок в результате эксплуатации, сварочные швы высокого качества – устойчивые к прогоранию.
Конструкционные особенности печи Кабыца 250СН:
- Огромный варочный стол из нержавеющей стали.
- Большая мощность печи способная обогреть Ваш дом.
- Большая топка.
- Режим длительного горения
- Большая поверхность теплосъема.
- Высокий конвектор.
- Трехуровневое горение (колосниковое, подовое, верхнее).
- Дожиг уходящих газов.
- Колпак для дожига газов.
- Возможность очистки коллектора и колпака.
- Низкая температура дымохода.
- Дверца с большим жаростойким стеклом.
- Высокая безопасность.
- Повышенная устойчивость к прогоранию.
- Оригинальный дизайн и прочная конструкция печи из стали 3мм.
- Зольник совок увеличенной емкости.

|
Модель |
Кабыца 250 |
|
Объем отапливаемого помещения, м3 |
250 |
|
Площадь отапливаемого помещения, до м2 |
100 |
|
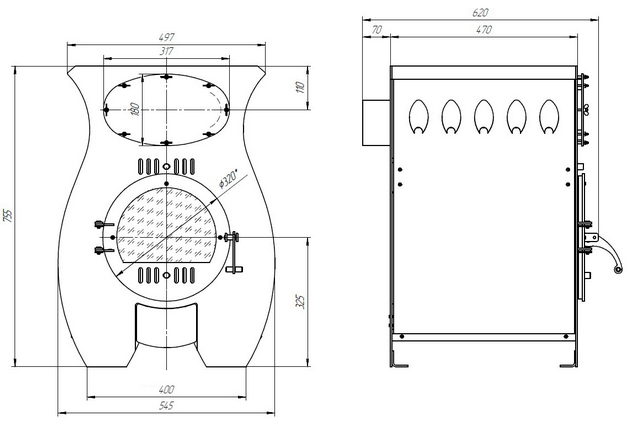
Высота Н, мм |
755 |
|
Ширина В, мм |
545 |
|
Длинна L, мм |
620 |
|
Размер варочного стола, мм |
450х430 |
|
Глубина топки, мм |
450 |
|
Диаметр топки, мм |
400 |
|
Диаметр топочной дверцы, мм |
320 |
|
Диаметр стекла дверцы, мм |
250 |
|
Толщина стенок топки, мм |
4 |
|
Толщина варочного стола, мм |
4 |
|
Материал топки |
09Г2С |
|
Материал конвектора |
09Г2С |
|
Материал варочного стола |
Нерж. |
|
Диаметр дымохода |
115 |
|
Масса печи, кг |
|
|
Цвет краски |
Антрацит |
Размеры печи Кабыца 250

(!) Производитель оставляет за собой право корректировать размеры, комплектацию, материалы, вносить изменения в конструкцию, не ухудшающих потребительских свойств, с целью улучшения технических характеристик.





