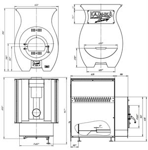
Размеры, технические характеристики и схемы банной печи "Казачка".
\BotDetectSounds\
\Bin\BotDetectSounds\
Pronunciation_English_GB.bdsp
warnAboutMissingSoundPackages
false
<botDetect>
web.config
<soundEnabled="false">
Нажав кнопку «Отправить», я даю Согласие на обработку персональных данных.